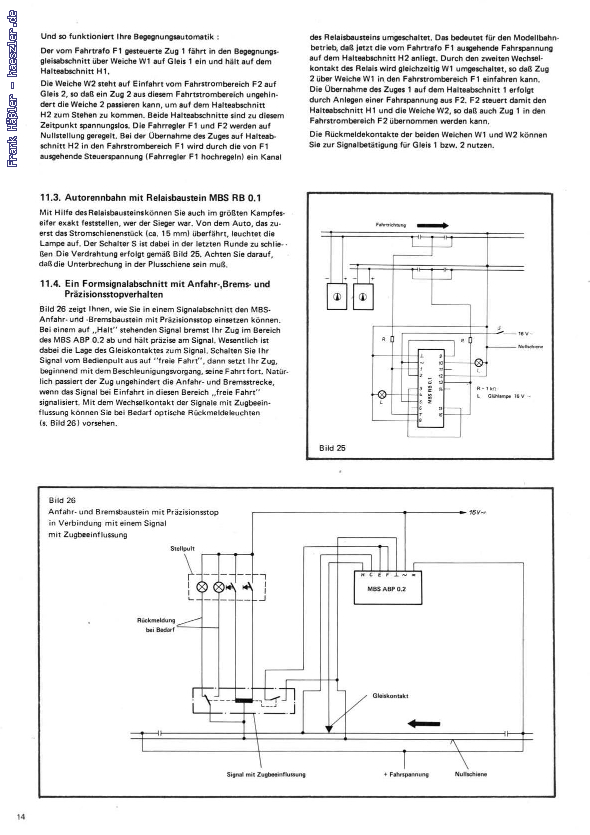
Nostalgieanlage H0 PIKO HRUSKA GÜtzold Dahmer Ehlcke Nostalgieanlage H0 PIKO HRUSKA GÜtzold Dahmer Ehlcke Nostalgieanlage H0 PIKO HRUSKA GÜtzold Dahmer Ehlcke Nostalgieanlage H0 PIKO HRUSKA GÜtzold Dahmer Ehlcke Nostalgieanlage H0 PIKO HRUSKA Gützold Dahmer Ehlcke

Sie sind hier: Übersicht / MBS-Bausteine / 0014.jpg

https://haeszler.de/pixlie/cache/vs_MBS-Bausteine_0014.jpg
zurück - 10 11 12 13 14 15 16 17 18 - weiter
Bild 14 von 19 | zurück | Originalgröße